
우리 회사는 회로 설계부터 PCB 아트웍, Firmware 개발, 통신 프로토콜 구현, 시제품 제작 및 양산 대응까지 수행 가능한 전문 기술팀을 보유하고 있습니다.
설계에서 끝나지 않고, 현장에 적용되어 시스템과 연결되는 장비를 만듭니다.
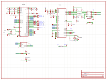
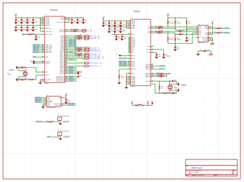
회로 설계
PCB Layout
시제품 제작 및 검증
양산 대응 및 제조 지원
산업 환경 대응 설계
시스템 연계
- 산업 현장의 설비 구성, 계측 항목, 운영 환경 분석
- 통신 방식 및 데이터 흐름 구조 정의
- 공공·산업 운영 기준을 반영한 요구사항 정리
- 하드웨어 구조 및 인터페이스 설계 방향 수립
- 전원 구조, 통신 구조, 확장성 고려 아키텍처 정의
- 시스템 연계를 고려한 데이터 구조 설계
- Schematic 설계 및 PCB Layout 수행
- 시제품 제작 및 기능·성능 검증
- 산업 환경 대응 안정성 테스트
- 장비 제어 로직 및 데이터 수집 처리 구현
- TCP/IP, Modbus, SNMP 등 통신 프로토콜 구현
- OTA 등 유지관리 기능 설계(필요 시)
- 상위 운영 플랫폼 또는 모니터링 시스템 연동
- 데이터 정상 수집·표시·저장 검증
- 디지털트윈·3D 시각화 환경 연계 테스트
- 현장 설치 지원 및 운영 환경 적용
- 초기 운영 모니터링 및 안정화 지원
- 양산 전 개선사항 반영 및 최종 구조 확정





